O sistema combinado de parede é um combinação porestacas de chapa de açoestacas H e H tubulares, o que poderia fornecer alto desempenho de seção - módulo de seção superior nos projetos. Os sistemas de paredes combinadas são frequentemente usados em projetos de construção em portos, portos, estaleiros e docas, onde existem produtos de empilhamento longos.
A parede combinada de estaca prancha pode ser classificada nas seguintes categorias:
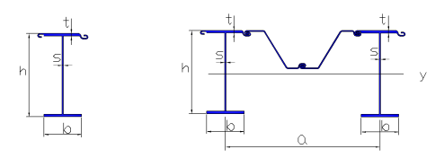
1. Parede combinada HZ: significa uma combinação de estacas H (SLHZ880MA, SLHZ880MB, SLHZ880MC, SLHZ1080MA, SLHZ1080MB, SLHZ1080MC, SLHZ1080MD, SLHZ1180MB, SLHZ1180MC, SLHZ1180MD) e estacas-pranchas Z. As estacas Z também podem ser substituídas por estacas-tipo U e ómegapilhas de folhas.
T As estacas H terão um sistema de intertravamento para conectar as estacas pranchas.

2. Parede combinada OZ: significa uma combinação de estacas tubulares (estacas SSAW / SAWH) e estacas-prancha Z. As estacas Z também podem ser substituídas por estacas-tipo U e estacas-tipo ômega.
I os trincos serão soldados nas estacas tubulares para que as estacas tubulares possam se conectar com o Zpilhas de folhas.

Shunli Steel Group, como o maior e líder fabricante doestacas de chapa de açocombi walls na China, oferece diferentes soluções de combi wall para seus clientes:
uma. HZ Combi Wall
Shunli não só podia oferecer as estacas Z, mas também fabricar estacas H com intertravamentos. Intertravamentos laminados a frio e conectores C9 laminados a quente estão disponíveis mediante solicitação.
b. OZ Combi Wall
Equipada com três linhas de produção de estacas tubulares SSAW / SAWH, a Shunli também pode fornecer estacas tubulares tubulares com embreagens laminadas a frio e conectores C9 laminados a quente.
Para obter mais informações sobre estacas pranchas, estacas tubulares, conectores e paredes combinadas, não hesite em entrar em contato com a Shunli Steel Group.